Beskrivning
Fri frakt inom Sverige!
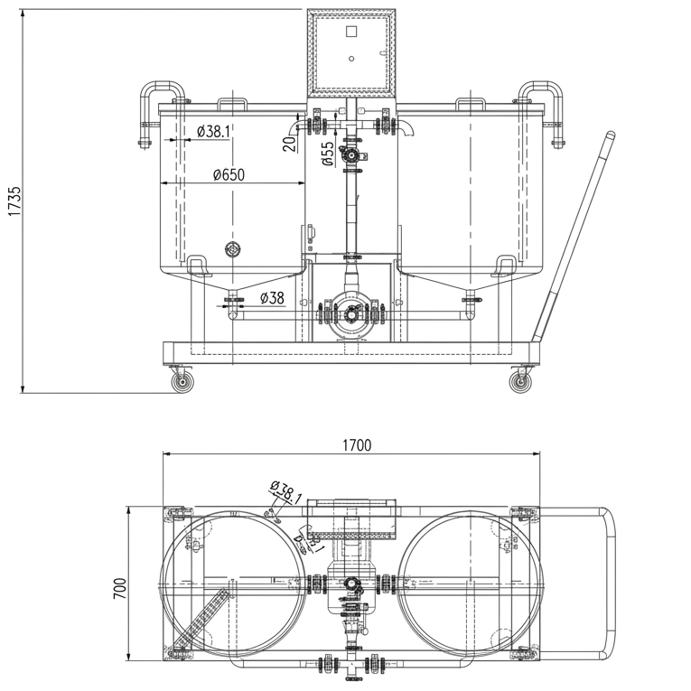
Fullutrustad mobil CIP-station, ny design med luckor i toppen, extraanslutningar för cirkulation och flottörbrytare för att skydda värmelementet mot överhettning vid torrläggning.
För mer detaljerad information använd ”Kontakta oss” i menyn.




Recensioner
There are no reviews yet